Stair to The Moon
ออฟฟิศโรงงานที่ออกแบบฟาซาดบันไดให้ขึ้นไปนั่งชมจันทร์บนหลังคา

หากพูดถึง ‘โรงงานเสื้อผ้า’ หลายคนอาจจะนึกถึงอาคารร้อนๆ ที่มีเครื่องจักรวางเรียงกันเป็นแถวยาว มักเน้นฟังก์ชันการใช้งานมากกว่าดีไซน์ แต่ไม่ใช่สำหรับโครงการ ‘Stair to The Moon’ ออฟฟิศและโรงงานย่านรามคำแหง 164 ผลงานล่าสุดจากสตูดิโอ BackYardArchitect ที่ออกแบบให้มีภาพลักษณ์ต่างออกไปจากภาพจำเดิมๆ ของโรงงานอย่างสิ้นเชิง ด้วยฟอร์มและฟาซาดอาคารที่คล้ายจะเป็นบันไดนำพาเราขึ้นไปสู่ดวงจันทร์

ปิดทึบจากภายนอก เปิดโล่งสู่ภายใน

‘พื้นที่ทำงานสำหรับการออกแบบเสื้อผ้า’ คือ โจทย์แรกที่สถาปนิกได้รับจากเจ้าของโครงการ โดยพื้นที่นี้ต้องครอบคลุมการทำงานทุกขั้นตอน ตั้งแต่การออกแบบไปจนถึงการผลิตและส่งสินค้าออกจำหน่าย ซึ่งประกอบด้วยฟังก์ชัน ออฟฟิศ 2 ชั้น, โรงงาน, พื้นที่เก็บของ, ห้องน้ำ และที่จอดรถจำนวน 4 คัน ที่สำคัญเจ้าของยังต้องการบรรยากาศที่แตกต่าง มีเอกลักษณ์ ไม่เคร่งเครียดหรือจริงจังเหมือนออฟฟิศทั่วไป และด้วยปัจจัยบริบทของพื้นที่โครงการที่ตั้งอยู่เกือบสุดซอย และมีขนาดพื้นที่ทั้งหมดเพียง 240 ตารางเมตร ซึ่งถือว่าค่อนข้างจำกัดสำหรับฟังก์ชันทั้งหมด จึงทำให้สถาปนิกต้องทำการบ้านเรื่องการวางกลุ่มอาคารมาอย่างดี

ผังบริเวณโครงการ

นอกจากการวางทุกฟังก์ชันให้ลงตัวแล้ว สถาปนิกยังนำกลุ่มอาคารเหล่านี้ มาสร้างความคอนทราสต์ระหว่างภายนอกและภายในโครงการ โดยวางโรงจอดรถสีดำไว้ด้านหน้า เพื่อใช้เป็นทางเข้าหลักที่กว้างขวาง สะดวกต่อการรับ-ส่งของ พร้อมกับวางอาคารโรงงานสีขาวด้านข้าง ทอดยาวไปยังออฟฟิศด้านหลัง ซึ่งทั้งสองพื้นที่นี้ถูกออกแบบให้ดูเรียบง่ายและปิดทึบจากภายนอก เพื่อช่วยสร้างความเป็นส่วนตัวให้กับผู้ใช้งาน รวมถึงส่งเสริมให้อาคารด้านในโดดเด่นขึ้น และเมื่อเดินผ่านประตูเข้ามา จะพบกับ Courtyard ตรงกลางที่โปร่งโล่ง พร้อมเผยตัวอาคารออฟฟิศที่เป็นหัวใจหลักของโครงการ

“เราเริ่มจากการตั้งคำถามว่า นอกจากทำหน้าที่กันแดดกันฝนแล้ว หลังคาจะเป็นอย่างอื่นได้ไหม? เราสามารถขึ้นไปใช้งานบนหลังคาได้หรือเปล่า?” สถาปนิกเล่าถึงที่มาของการออกแบบ

จากความตั้งใจอยากทดลองออกแบบสเปซใหม่ๆ ที่สร้างภาพจำแก่ผู้คนได้ตั้งแต่แรกเห็น นำมาสู่การผสานรูปแบบของบันไดเข้ากับรูปทรงอาคาร โดยเปลี่ยนหลังคาของอาคารกล่องสี่เหลี่ยมทั่วไป ให้กลายเป็น Slope บันไดที่ชวนสะดุดตา

ปกติแล้วบันไดมักเป็นสัญลักษณ์ของการก้าวขึ้นไปสู่จุดหมายปลายทาง แต่สำหรับการออกแบบครั้งนี้ สถาปนิกไม่ได้ต้องการให้บันไดเป็นเพียงแค่ทางผ่านนำพาไปสู่พื้นที่ดาดฟ้าเท่านั้น แต่ต้องการให้สามารถรองรับการใช้งานได้หลากหลาย ไม่ว่าจะเป็นพื้นที่ถ่ายแบบเพื่อโปรโมทสินค้า หรือจะนั่งเล่นชมจันทร์ก็ได้

สร้างไดนามิกให้กับอาคารด้วยลูกเล่นฟาซาด

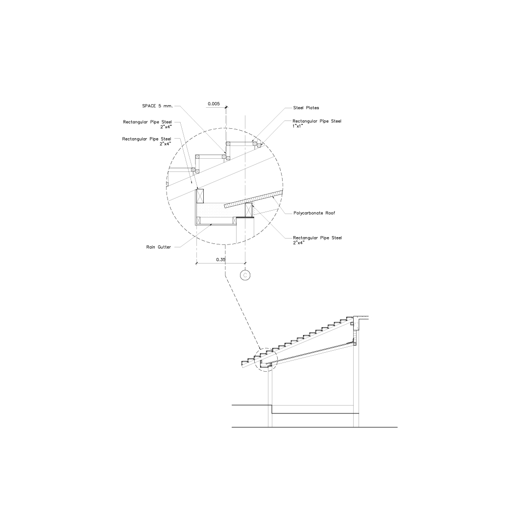
ฟาซาดบันได ถือเป็นองค์ประกอบสำคัญของอาคารที่ทำให้ภาพคอนเซ็ปต์ Stair to The Moon ชัดเจนขึ้น โดยสถาปนิกนำขั้นบันไดมาเรียงแพทเทิร์นใหม่ บิดแนวฟาซาดทั้ง 4 แกนในองศาที่ต่างกัน ทำให้บันไดที่เรียงตัวอย่างเป็นระเบียบอยู่นั้น เกิดเป็น Slope เรียงตัวแบบโค้งกึ่งตรงขึ้นไป และช่องว่างที่เกิดจากการเลื่อมของบันไดแต่ละชั้น ยังส่งผลให้แสงแดดสามารถลอดผ่านเข้าสู่ตัวอาคารได้อย่างมีมิติ

ด้วยข้อจำกัดของขนาดพื้นที่โครงการ ทำให้มีความยากในการก่อสร้างและขนย้ายวัสดุ สถาปนิกจึงเลือก ‘เหล็ก’ เป็นวัสดุหลักที่ใช้สำหรับฟาซาด เนื่องจากมีน้ำหนักเบา ช่วยลดความยุ่งยากหน้างาน รวมทั้งตอบโจทย์กับดีเทลของบันไดที่มีความต่อเนื่องกัน ซึ่งการใช้เหล็กก็ช่วยให้สามารถเชื่อมต่อแต่ละจุดเข้าหากันง่ายมากขึ้น

นอกจากฟาซาดที่ทำหน้าที่เป็นหลังคาในชั้นแรกแล้ว ยังมีหลังคาด้านล่างอีกชั้น ที่ปกคลุมด้วยแผ่นโพลีคาร์บอเนตชนิดขุ่น ซึ่งทำหน้าป้องกันอาคารให้ปลอดภัย แต่ในขณะเดียวกันก็กรองแสงแดดอ่อนๆ ลอดผ่านฟาซาดบันไดเข้าสู่ตัวอาคารได้ ทำให้บรรยากาศภายในอาคารมีชีวิตชีวามากขึ้น

Function follows Form

โดยทั่วไปแล้ว เรามักจะได้ยินคำว่า Form follows Function ซะมากกว่า แต่สำหรับโครงการนี้ สถาปนิกตั้งใจให้ Form เป็นตัวกำหนดการวาง Function ภายในอาคารออฟฟิศ โดยออกแบบให้สเปซโถงกลางเป็น Living Area สำหรับใช้งานอเนกประสงค์ ที่มี Double volume space พร้อมช่องเปิดทั้งแนว เพื่อให้ลมสามารถพัดผ่านเข้าสู่ภายในตัวอาคารได้อย่างสะดวก ในส่วนของสเปซที่ถูกกดต่ำกว่าบริเวณอื่น สถาปนิกออกแบบให้เป็นห้องทำงานที่มีขนาดพอดีและค่อนข้างเป็นส่วนตัว นอกจากนี้สถาปนิกยังได้เลือกใช้เฟอร์นิเจอร์ลอยตัว ที่สามารถปรับเปลี่ยน ยกย้ายได้สะดวก เพื่อให้ตอบโจทย์กับความต้องการของเจ้าของที่อยากให้สเปซที่สามารถเปลี่ยนมุมถ่ายรูปได้เรื่อยๆ

‘ขาว เทา ดำ’ คือโทนสีหลักๆ ที่สถาปนิกใช้ในโครงการนี้ เพื่อให้ตัวอาคารดูเรียบง่ายที่สุด และสเปซเป็นเหมือนผ้าใบที่ให้สีสันของแฟชั่นมาแต่งเติม เสริมด้วยวัสดุไม้ที่นำมาตัดกับสีขาว สร้างบรรยากาศสบายๆ และมีชีวิตชีวามากขึ้น

“ด้วยความที่ฟาซาดเรียงตัวยาก ต้องเคลียร์ระยะของบันไดให้ลงตัวที่สุดตั้งแต่แรก เพื่อให้ช่างก่อสร้างสามารถนำแบบไปสร้างต่อได้อย่างถูกต้องและแม่นยำ รวมทั้งยังมีหลังคา 2 ชั้น ที่ถือเป็นความท้าทายและความประทับใจที่มีต่อโครงการ ต้องขอบคุณทางเจ้าของด้วยที่เข้าใจเรา ไว้ใจเราให้ได้ทดลองทำอะไรใหม่ๆ เลือกที่จะไปด้วยกัน และผลลัพธ์สุดท้ายก็ออกมาได้ด้วยดี” สถาปนิกเล่าถึงความประทับใจที่มีต่อโครงการนี้

Location: รามคำแหง 164 เขตมีนบุรี จังหวัดกรุงเทพมหานคร
Built Area: 240 ตารางเมตร
Completion Year: 2022
Client: คุณวนิดา ชาธงชัย และคุณวิทากรณ์ แก้วกลูฑล
Architects Firm: BackYardArchitect
Lead Architects: คุณเสรี สอดแสงอรุณงาม และคุณมีชัย เจริญพร
Photo Credit: Thanes Piamnamai

Writer
Picture of Nara Aunjai

Nara Aunjai

อดีตนักเรียนสถาปัตย์ที่ดำรงอาชีพนักเขียนเป็นงานหลัก นักแปลเป็นงานรอง และรับออกแบบภูมิสถาปัตยกรรมเป็นงานพาร์ทไทม์

Discover more from Design Makes A Better Life.

Subscribe now to keep reading and get access to the full archive.

Continue reading